NS-0605

产品尺寸:

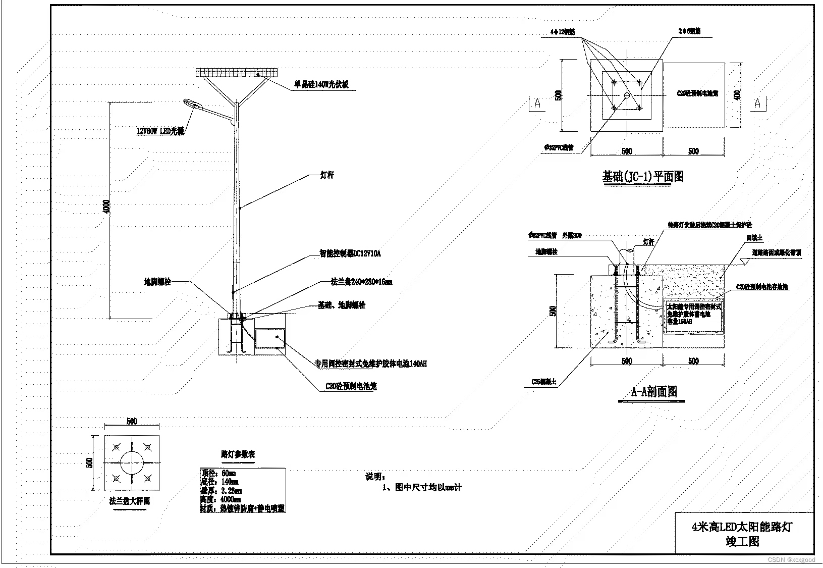
安装简单:无需铺设复杂线路,只需做一个水泥基座,用镀锌螺栓或不锈钢螺丝固定即可。安装过程简单,无需专业电工,大大缩短了安装进度。
费用低:只需一次投资,无维护成本,3-4年即可收回成本,后几年等于免费使用。即便到达年限,只需更换对应零件即可,减少了资源浪费。
安全可靠:采用低压直流电(如3.2V/3.7V/6V/12V/24V),电压低且稳定,运行可靠,不存在安全隐患。无须额外布线,减少了施工中的安全隐患。
环保节能:利用太阳能发电,无需消耗电能,取之不尽用之不竭。符合绿色环保要求,无污染、无辐射,保护生态。
光源优势:采用LED光源,具有高亮度、长寿命、光效率高等特点,接近白炽灯的两倍,寿命可达到105小时以上,比传统白炽灯更加省电。
智能控制:产品核心装置是智能控制器,可根据天空亮度和环境需要自动调节开关和亮度,实现自动控制免维护。
光伏组件(太阳能板)
- 类型:单晶硅(转换效率≥18%)
- 功率:60W~100W(匹配6米灯杆)
- 工作电压:18V
- 防护:IP65~IP68
- 寿命:≥25年
💡 LED光源
- 功率:30W~60W(6米杆常用40W)
- 光效:≥130lm/W~150lm/W
- 光通量:5200lm~7200lm(按功率)
- 色温:4000K~5700K(常用5000K)
- 显色指数:Ra≥70
- 配光:蝙蝠翼配光
- 防护:IP65~IP67
- 寿命:≥50000h
🔋 蓄电池
- 类型:磷酸铁锂(LiFePO₄)(主流)
- 容量:40Ah~80Ah(6米杆常用60Ah)
- 电压:12.8V/25.6V
- 循环寿命:≥3000次
- 防护:IP65~IP67
⚙️ 智能控制器
- 类型:MPPT(优先)/ PWM
- 转换效率:MPPT≥95%
- 功能:光控、时控、调光、过充/过放/短路保护
- 防护:IP65~IP67
📏 灯杆(0605常见配置)
- 高度:6米(型号常标“06”)
- 材质:Q235热镀锌钢管
- 口径:上60mm/下130mm(型号常标“06/05”为近似)
- 壁厚:≥2.5mm
- 抗风:≥10级
- 法兰:250×250×10mm
📊 系统性能
- 连续阴雨:3~5天
- 每日照明:8~10小时
- 工作温度:-30℃~+65℃
- 防护等级:IP65
- 整体寿命:8~10年
📌 6米杆常用组合(参考)
- 光源:40W LED(≈5200lm)
- 光伏板:80W/18V 单晶硅
- 电池:60Ah/12.8V 磷酸铁锂
- 控制器:MPPT 10A/20A


















